

Структурные особенности:
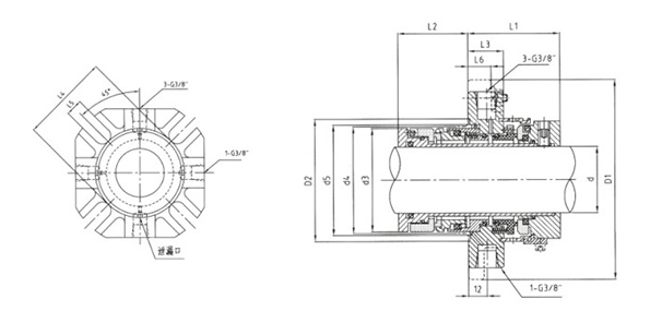
Механическое уплотнение SEBO - SQ903 представляет собой двухторцевую, многопружинную, сбалансированную конструкцию. Пружина не контактирует с рабочей средой, избегая блокировки пружины и делая механическое уплотнение недействительным, конструкция сборки, упрощающая процесс установки, так что установка более проста и удобна.
Дополнительный материал трения и вспомогательный герметичный материал, пожалуйста, выберите в соответствии с фактическими условиями работы.
Сфера применения:
Запечатанные материалы: масло, вода, жидкие углеводороды, жидкий кислород, природный газ и так далее.
Давление в герметичной полости: 1,6 Мпа
Температура герметичной полости: - 20°C ~ 160°C
Линейная скорость: 20 м / с
Микросхема
SEBO Индустриальная технология
Адрес: Китай Синьцзян Урумчи Ми-Восток района
Телефон:+86-0991-3666266 3839936
Мобильный телефон:13909915361/18909915361
Почтовый ящик:business@sebo.cn
Веб-сайт:www.sebo.cn